5. Основные программные продукты для расчета ХТС
Хорошо известно, что в последнее время особое внимание в промышленности стало обращаться на инженерный анализ и оптимизацию производственных процессов. Однако из-за высокой интеграции химико-технологических процессов их анализ и оптимизация весьма сложны и неизменно требуют применения вычислительной техники. Отсутствие соответствующего программного обеспечения, наряду с ограничением стоимости работ и времени, необходимых для выполнения работ, может привести к анализу и оптимизации только части существующей технологии или рассмотрению меньшего количества вариантов технических решений. Кроме того, для более полной проработки режимов работы технологии и управления в масштабах завода в некоторых случаях возникает необходимость моделирования химико-технологических систем в динамических условиях.
Ранее, процесс моделирования технологических процессов и систем требовал применения языков программирования и поэтому использовался исключительно специалистами, свободно разбирающимися в химической технологии, моделировании и программировании. Бурное развитие мощных персональных компьютеров и интуитивных графических интерфейсов пользователя позволило создать специализированные программные оболочки, автоматизирующие сложные вычисления и наглядно отображающие результаты расчета. Сейчас в мире существует небольшой выбор конкурентоспособных программных оболочек, позволяющих рассчитывать материальный и тепловой балансы технологических систем с учетом физико-химических закономерностей, и предназначенных для моделирования стационарных, динамических и периодических химико-технологических систем. При использовании этих программных оболочек пользователю уже нет необходимости хорошо знать языки программирования, так как процесс составления модели производства заключается в использовании экранного интерфейса, с помощью которого на экране компьютера в удобном виде составляется технологическая схема. Далее программное обеспечение само определяет оптимальную последовательность расчета ХТС, взаимодействует с базами данных по процессам и веществам, запускает процесс решения задачи и выводит результаты в удобном для пользователя виде.
До конца 90-х годов такое программное обеспечение в России не применялось, что вероятно было связано с тем, что наряду с относительно высокой ценой на приобретение лицензии по его использованию и достаточно высокими затратами на подготовку квалифицированных пользователей оно относилось к разряду “высоких технологий”, на которые до недавнего времени существовало ограничение на продажу в Россию по политическим соображениям. В настоящее время данных ограничений не существует, однако в отличие от стран Западной Европы и Америки, в России широкого использования подобного программного обеспечения не произошло. Вероятно это связано с уровнем подготовки инженерных кадров, так как для успешного применения подобных программных оболочек необходимо наличие на предприятии высококвалифицированных специалистов-технологов, имеющих соответствующую теоретическую подготовку и опыт работы с подобными программными продуктами.
Существуют два семейства программных оболочек: off-line и on-line. Семейство on-line оболочек связано с приборами КИП в режиме реального времени. При его функционировании в режиме реального времени собирается информация от систем, датчиков и контроллеров, далее эта информация архивируется и предоставляется операторам, технологам и менеджерам в удобной для них форме. Эти данные также переносятся в оперативную базу данных, откуда забираются программным обеспечением для обработки. При наличии обратной связи (системы "интеллектуального" регулирования работы производством), на основе полученной информации соответствующие модули вычисляют оптимальные значения управляющих параметров, передают их на внешние устройства и отслеживают реакцию процесса, последовательно оптимизируя режим работы производства. Однако для работы on-line продуктов необходимо иметь работающую систему распределенного управления (АСУ ТП: датчики, контроллеры, оборудование с автоматическим управлением) и адекватные модели основных процессов и системы (цеха или завода) в целом. В общем виде, схема работы on-line программного обеспечения (без обратной связи) представлена на Рис.5.1.

Рис.5.1. Схема работы on-line программного обеспечения.
Примером on-line программного обеспечения может быть оптимизатор соотношения H2/N2 в производстве аммиака, поставляемый на некоторые новые производства аммиака, позволяющий поддерживать заданное соотношение H2/N2 в азотоводородной смеси, подаваемой в цикл синтеза.
Cемейство off-line оболочек (не взаимодействующих непосредственно с технологическим процессом) используется в инженерно-технических отделах компаний. Они позволяют проектировать новое производство, помогают устранять узкие места в технологической цепочке, моделируют отдельные установки или весь завод, позволяют моделировать реконструкцию действующих установок для оценки возможностей перехода от существующей технологии к перспективной. В целях оптимизации производства или анализа существующих проблем и аварийных ситуаций, эти системы помогают оценивать экономические аспекты производства, планировать ресурсы, продукцию и график работ, и т.д.. Схема работы off-line программного обеспечения представлена на Рис.5.2.

Рис.5.2. Схема работы off-line программного обеспечения: (а) – на производстве; (б) – при проектировании.
Следует отметить, что данные оболочки являются универсальными, т.е. могут одновременно применяться для различных производств. Кроме того, в зависимости от требований к расчетам, существуют программные оболочки как для моделирования ХТС в стационарных (установившихся) режимах работы (steadystate), так и в динамических (dynamic) режимах. Наиболее широкое применение нашли программные продукты для моделирования ХТС в стационарных режимах работы, реализующие итерационный метод расчета. Программные оболочки, предназначенные для моделирования динамических режимов работы производства, применяются достаточно редко и в основном для разработки систем управления (разработка системы управления переходными процессами).
В настоящее время в мире существует относительно небольшой выбор конкурентоспособных программных оболочек для уточненного моделирования ХТС в стационарных и динамических режимах работы. Основные принципы функционирования оболочек едины и достаточно хорошо описаны в отечественной и зарубежной литературе, а также в настоящем конспекте лекций.
Бурное развитие компьютерного моделирования ХТС началось в 1958 году, и было связано с переводом расчета материальных и тепловых балансов ХТС на компьютер. Расчеты проводились с помощью моделирующей программы FlexibleFlowsheet. В дальнейшем, в течение 60-70-х годов, происходило бурное развитие как самой концепции компьютерного моделирования ХТС, так и программных продуктов реализующих данную концепцию. Кроме FlexibleFlowsheet за рубежом были созданы программы: Cheops, Macsim, Chess, Flowtran, Process и др. Наиболее бурное развитие программные продукты получили с появлением персональных компьютеров. Ряд программ для моделирования ХТС был создан и в СССР: РСС и РОСС (НИФХИ), АСТР и БАСТР (ГИАП), НЕФТЕХИМ (ВНИПИНЕФТЬ), САМХТС (НИУИФ), SYNSYS-78 (МХТИ) и др. Однако, с началом переходного периода, большинство отечественных программных продуктов прекратило свое существование, поэтому в настоящее время отечественные программные продукты практически не используются. Основными поставщиками программного обеспечения для моделирования ХТС в настоящее время являются американские компании: AspenTechInc. и Simulation Science Inc. Некоторое время назад поставщиков программного обеспечения было больше, однако в мире непрерывно идут процессы укрупнения одних компаний за счет покупки других, что приводит к уменьшению их количества.
Как было сказано выше, все программные продукты для расчета ХТС основаны на единых теоретических основах синтеза, анализа, расчета и оптимизации. Вероятно, именно этим можно объяснить единую функциональную структуру указанных оболочек, представленную на Рис 5.3.

Рис. 5.3. Функциональная структура программных продуктов для моделирования ХТС
В соответствии с функциональной структурой программных продуктов, основой программной оболочки является функциональное ядро системы, которое непосредственно производит анализ структуры ХТС и расчеты материальных и тепловых балансов, обменивается данными с базами данных, производит ввод/вывод и т.п.
Необходимой частью программного обеспечения являются заполненные фирмой-изготовителем базы данных по чистым веществам (вязкость, плотность, теплоемкость, теплопроводность и т.п.) и термодинамическим правилам их смешения, а также базы данных по элементарным процессам (уточненные модели реакторов, смесителей, делителей, колонн ректификации, теплообменников и т.д.). Так как абсолютно все существующие в природе вещества и абсолютно все процессы заложить в базы данных невозможно, то программные продукты обычно имеют возможность расширять базы данных по веществам и по процессам, формируя временные базы данных пользователя. Таким образом, при единых основах и одной функциональной структуре программные оболочки отличаются друг от друга лишь различным набором баз данных по веществам и по процессам, качеством интерфейса и возможностями ядра системы. В свою очередь данные отличия отражаются на цене программного продукта и условиях его приобретения.
Рассмотрим некоторые возможности программного обеспечения для моделирования стационарных режимов работы ХТС на примере программного продукта Design-IIforWindows, выпускаемого WinSimInc., и применяемого для учебного процесса на химико-технологическом факультете (ХТФ) Пермского государственного технического университета (ПГТУ).
Как и большинство программных продуктов для моделирования ХТС,Design-IIforWindows предназначен для уточненного моделирования стационарных химических и нефтехимических процессов, включая ректификацию, охлаждение, движение жидкости и газа по трубопроводам и других процессов нефтепереработки, газопереработки, производств аммиака, метанола и водорода. База данных по веществам содержит данные по 886 веществам и 50 термодинамических методов их смешения, таблицы свойств насыщенного и перегретого пара, параметры моделей парожидкостного равновесия для смесей и т.д.. База данных по процессам содержит 63 модели процессов, включая их разновидности и модификации. Наряду с возможностями производить моделирование и оптимизацию сложных химико-технологических систем эта программная оболочка позволяет одновременно производить проектный расчет параметров некоторого технологического оборудования и имеет возможности, отсутствующие у других программных оболочек:
– уточненного моделирования системы трубопроводов (горизонтальных, вертикальных, наклонных) для двухфазных систем с учетом теплопередачи;
– расчета параметров различных смесей аминов, позволяющих моделировать колонные аппараты (со смесями аминов) с учетом кинетики массопередачи;
– уточненного расчета ректификационных колонн с определением их диаметра;
– расчета конструктивных параметров теплообменников и сепараторов;
– детальной настройки режимов расчета каждого модуля с помощью ключевых слов и посредством внедрения программ пользователя на алгоритмическом языке FORTRAN;
– обработки экспериментальных данных и расчета недостающих свойств веществ по существующим свойствам и структуре веществ с одновременным созданием файла базы данных пользователя;
– возможного расширения баз данных по веществам и процессам;
– создания ХТС неограниченных размеров посредством "сшивки листов";
– доступа пользователей к базе данных по свойствам чистых веществ, включающей: молекулярную массу, структуру, критические свойства, давление насыщенного пара, теплоту парообразования, теплоемкость идеального газа, вязкость газа и жидкости, теплопроводность газа и жидкости, удельный объем, поверхностное натяжение и др. как к справочнику;
– экспорта результатов расчета в MS Excel.
Вид экрана при решении задачи по моделированию цикла синтеза аммиака представлен на Рис.5.4.
Графический интерфейс программной оболочки не очень удобен, однако достаточно низка и цена его лицензии, которая на начало 2003 года составляет US$3895 в год при ежегодном заключении договора, или US$6995 при покупке бессрочной лицензии (прим.: другие поставщики не продают бессрочную лицензию). Кроме разового платежа необходимо оплачивать US$1295 в год за поддержку программного продукта. Таким образом, не являясь "фаворитом" на рынке программного обеспечения для технологических расчетов, но, имея эффективно работающее ядро и расширенные возможности, Design-IIforWindows позволяет достичь результата за меньшие деньги и приобретается небольшими инжиниринговыми фирмами.

Рис.5.4. Копия экрана при решении задачи в Design-IIforWindows
Если исключить влияние на цену лицензии переменной маркетинговой составляющей, то стоимость лицензии обычно определяется удобством пользования программной оболочкой (графический интерфейс), объемом баз данных по веществам и процессам, а также производительностью ядра. Кроме того, несомненное влияние на цену оказывает торговая марка фирмы. Однако следует отметить, что стоимость лицензии самых дорогих программных продуктов, отличающихся от стоимости лицензии Design-IIforWindows на порядки, не сравнима со стоимостью капитальных затрат на реконструкцию химического завода, исчисляемых миллионами долларов. Например, стоимость одного кубического метра катализатора, загружаемого в реактор десятками кубических метров, обычно составляет US$30000–US$50000. Таким образом, даже при стандартных нормативах, полученная в результате реконструкции прибыль будет во много раз больше, чем стоимость самого дорогого инструмента для расчетов. Однако при решении небольших инжиниринговых задач, имеющих относительно невысокую доходность, цена программного обеспечения будет являться определяющей, т.к. окупаемость менее дорогостоящего, и даже менее производительного программного обеспечения, может быть достигнута быстрее, чем более производительного и более дорогостоящего.
Следует отметить, что при проведении любых расчетов необходимы корректные исходные данные, т.к. программное обеспечение для моделирования ХТС принимает введенные пользователем исходные данные как истину. Следовательно, при использовании ошибочных исходных данных результаты расчетов могут быть далеки от реальности. Причиной использования в расчетах ошибочных исходных данных может быть связано с тем, что параметры работы производства (температура, давление, расход и состав) измеряются контрольно-измерительными приборами (КИП) с некоторой погрешностью. В зависимости от параметра потока, величина погрешности может достигать 5-10%. Кроме того, сами КИП могут выйти из строя, показывая правдоподобные, но неверные значения.
Из указанных параметров потоков, необходимых для расчета материального и теплового балансов, температура и давление могут быть измерены достаточно точно и дешево, а состав потока можно проверить в лаборатории предприятия на образцовом лабораторном оборудовании. Таким образом, основные проблемы на производстве возникают с измерением расходов потоков, т.к. наиболее широко использующийся метод измерения расхода с помощью перепада давления на диафрагме имеет достаточно большие погрешности. Следовательно, величины расходов потоков полученных от КИП не могут быть использованы для оценки работы производства без дополнительной обработки. Использование приборов основанных на других физических принципах и позволяющих измерять расход с высокой точностью приведет к достаточно высоким затратам на их приобретение и обслуживание, и не исключает ошибок.
Для первичной обработки данных расходов потоков, полученных от расходомеров, имеется программное обеспечение, позволяющее производить первичную обработку измеренных расходов с последующим их согласованием. Одновременно с согласованием расходов материальных потоков программное обеспечение определяет датчики, измеряющие расход с погрешностью, превышающей заданную. В связи с тем, что технологическая схема может содержать как непрерывные процессы (реактора, колонны, смесители и т.д) и периодические процессы (емкости, резервуары и т.д.) согласование данных по количеству вещества производится за сутки с учетом структуры движения материальных потоков и погрешностей датчиков. Примерами данного программного обеспечения могут быть DATACON (SimSciInc.), SIGMAFINE (OSISoftwareInc.) и некоторые другие. Принцип работы программного обеспечения представлен на Рис.5.5.

Рис.5.5. Схема функционирования программного обеспечения по согласованию первичной информации
В соответствии со схемой, данные о процессе передаются в оперативную базу данных "несогласованные данные" через АСУ ТП и/или вводятся технологическим персоналом (при отсутствии АСУ ТП или если АСУ ТП не охватывает всю установку), и далее передаются в программное обеспечение по согласованию данных. Согласованные данные записываются в оперативную базу данных "согласованные данные" и могут быть использованы как для ввода в программу уточненного расчета ХТС, так и для анализа корректности показаний КИП или для других целей.
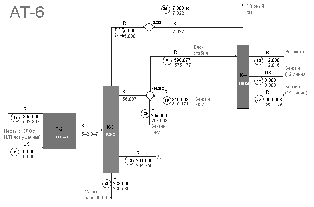
Пример представления технологической схемы установки АТ-6 в программном продукте SIGMAFINE и результаты согласования представлены на Рис.5.6.

Рис.5.6. Результаты согласования данных для АТ-6 с помощью SigmaFine
Информацию о работоспособности датчиков расхода потоков и уровней в емкостях можно получить, сравнивая согласованные и несогласованные данные (на Рис.5.6. рядом с датчиком – кружком с цифрой – согласованное значение массового суточного расхода потока находится под несогласованным). Как видно из Рис.5.6, согласованные данные отличаются от несогласованных, несмотря на то, что КИП выдают показания, не превышающие их погрешности. Таким образом, реальные данные, полученные от КИП установки, первоначально должны быть согласованы, и только после этого могут быть использованы в уточненных расчетах.
Любая математическая модель объекта или ХТС является лишь его аналогом в рамках принятых допущений и ограничений. При проведении технологических расчетов с использованием специализированного программного обеспечения для расчета ХТС, выпускаемого известными фирмами, или проводя расчеты с помощью калькулятора или собственных программ, необходимо особое внимание обратить на адекватность используемой модели. Если адекватность модели или ее близость к реальному объекту не доказана, то результаты расчета не могут быть использованы для того, чтобы делать на их основании какие либо технологические выводы и рекомендации. Существует несколько способов оценки адекватности модели, однако их суть сводится к сравнению расчетных и экспериментальных данных с помощью статистических критериев, на основании которых делают вывод об адекватности или неадекватности модели.
В качестве примера рассмотрим систему параметрического мониторинга котла, вырабатывающего сухой насыщенный пар, технологическая схема которого представлена на Рис.5.7.

Рис.5.7. Схема движения материальных потоков котла, вырабатывающего сухой насыщенный пар.
Суть работы параметрической системы мониторинга заключается в том, что выброс загрязняющих веществ в атмосферу непрерывно рассчитывается на основании расхода дымовых газов, определенного из материального и теплового балансов, и концентраций загрязняющих веществ, рассчитанных по адекватной модели котла. Пример обработки экспериментальных данных при составлении модели представлен на Рис.5.8.

Рис.5.8. Пример обработки экспериментальных данных при составлении математической модели выбросов оксида азота (NO).
Как видно из рисунка, обе математические модели (линии) достаточно хорошо описывают соответствующие наборы экспериментальных значений (точки). Средняя погрешность моделей составляет 2,52% и 2,76%. Адекватность моделей была проверена по критерию Фишера, который в обоих случаях превышает табличное значение, следовательно, обе модели адекватны, и могут использоваться для расчета массового выброса оксида азота в окружающую среду.
В случае если адекватность математической модели не доказана, т.е. математическая модель не соответствует технологическому процессу, то данной моделью пользоваться недопустимо. Таким образом, проверка адекватности модели для всех планируемых интервалов изменения параметров является необходимой процедурой перед использованием любой математической модели для целей оптимизации.