Насoсы
НАСOСЫ, машины для напорного перемещения (всасывания, нагнетания) по трубопроводам жидкостей путем сообщения им мех. энергии. Насосами наз. также устройства для разрежения газов (вакуум-насосы); подъема жидкостей в виде газо-, воздухо- или парожидкостных смесей (соотв. газлифты, эрлифты, парлифты); транспортирования жидкостей передавливанием с помощью не смешивающейся или не взаимодействующий с ними среды, напр. воздуха либо пара (пневматич. насосы-монтежю, или монжусы, и др.); передачи теплоты из окружающей среды (воздуха или воды), имеющей низкую т-ру, к объекту с более высокой т-рой (тепловые насосы, см., напр., Выпаривание, Холодильные процессы). В данной статье рассмотрены насосы для перемещения жидкостей (жидкостные насосы) и вакуум-насосы.
Жидкостные насосы
Напорное перемещение жидкости осуществляется под действием разности давлений рк-pн на входе в систему и выходе из нее. Необходимая разность давлений определяется требуемой скоростью жидкостного потока и допускаемым гидравлич. сопротивлением, возникающим при движении жидкости по трубопроводу.
Основные параметры и характеристики. П р о и з в о д и т е л ьн о с т ь, или подача, Q (от долей до десятков, тыс. м3/ч)-кол-во жидкости, проходящей через насос в единицу времени. Напор-высота столба подаваемой жидкости, эквивалентная давлению, создаваемому насосом (от десятых долей до 100 МПа и более). П о л н ы й н а п о р H (от неск. м до неск. сотен м) определяется высотой, на к-рую необходимо поднять жидкость в напорный (нагнетательный) резервуар из заборного (приемного), разностью давлений в этих резервуарах, требуемой скоростью на выходе потока из системы и гидравлич. сопротивлением коммуникаций. Ориентировочно напор можно оценивать по показаниям манометров: H = pк—pн/rg, где r-плотность жидкости, g-ускорение своб. падения. К а в и т а ц и о н н ы й з а п а с-избыток напора DH по сравнению с полным для обеспечения эксплуатации насоса без кавитации (гидравлич. ударов, сопровождающихся шумом и вибрацией).
П о л е з н а я м о щ н о с т ь Nп(Вт)-мощность, сообщаемая насосом подаваемой жидкости (Nп = rgQH/1000; практически от 0,1 до неск. МВт). М о щ н о с т ь н а в а л у N(Вт)-подводимая от двигателя или потребляемая насосом мощность; N = Nп+ DN, где DN-потери мощности на преодоление гидравлич. сопротивлений, внутр. протечки жидкости через зазоры и уплотнения и на трение. Кпд h-отношение Nп/N (на практике h = 0,6-0,9, но бывает 0,2-0,5 и даже 0,1-0,25; N = rgQH/1000h).
Зависимости между осн. параметрами насосов обычно представляют в виде графиков, наз. х а р а к т е р и с т и к а м и(кривые H-Q, N-Q, h-Q, H-DH, N-DH и др.). Различают теоретич. характеристики, выводимые на основании мат. анализа зависимостей между параметрами, и действит. характеристики, получаемые обработкой результатов испытаний реальных насосов. Характеристики определяют энергетич. показатели и марки насосов; дают представление об их всасывающей способности; позволяют устанавливать режимы их работы - оптимальный (эксплуатация при наиб. кпд), номинальный (на заданном уровне поддерживаются рабочие параметры и достигается устойчивое функционирование) и т.д.
Жидкостные насосы подразделяют на динамические и объемные.
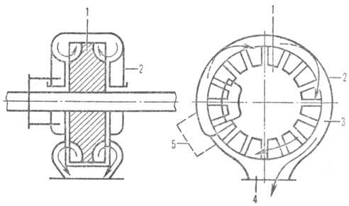
Динамические насосы. В них жидкость перемещается под силовым воздействием на нее в камере насоса, к-рая постоянно сообщается с его входом и выходом. Осн. детали: подвод, рабочее колесо, ротор и отвод (рис. 1). П о д в о д предназначен для подачи жидкости к рабочему колесу от входного патрубка. В р а б о ч е м к о л е с е мех. энергия привода преобразуется в гидравлич. энергию перекачиваемой жидкости. О т в о д служит для сбора жидкости за рабочим колесом, гашения скорости и преобразования кинетич. энергии жидкости в энергию давления, перемещения потока к отводящему (нагнетательному, напорному) трубопроводу.
По принципу действия различают насосы лопастные, трения и электромагнитные. В л о п а с т н ы х насосах, к к-рым относятся центробежные и осевые, жидкость перемещается от центра рабочего колеса к его периферии посредством центробежных сил, возникающих при воздействии лопастей колеса на перекачиваемую жидкость. Эти насосы конструктивно подобны соответствующим вентиляторам и турбокомпрессорам (см. Компрессорные машины). В насосах т р е н и я, среди к-рых наиб. распространены вихревые, перекачивание жидкости обусловлено гл. об. силами трения, возникающими при вращении рабочего колеса. В насосах лопастных и трения мех. энергия жидкостного потока увеличивается при обтекании им вращающегося колеса. В результате жидкость приводится во вращат. и поступат. движение; при этом ее давление и скорость возрастают по мере перемещения от входа в колесо к его выходу. В э л е к т р о м а г н и т н ы х насосах жидкая электропроводная среда (жидкие щелочные металлы, электролиты) перемещается под воздействием силовых электрич. и магн. полей.
В центробежных насосах (рис. 1) при вращении рабочего колеса лопасти сообщают жидкости движение в радиальном или диагональном направлении. Достоинства насосов: высокая производительность и равномерная подача, компактность, простота устройства, обслуживания и ремонта, практически неограниченный выбор материалов для изготовления, малая чувствительность к загрязнениям перекачиваемых жидкостей; высокая надежность и долговечность и др.; недостатки: относительно низкие напоры, зависимость подачи от сопротивления системы, резкое снижение кпд при уменьшении производительности и увеличении вязкости перемещаемой среды и т.д. Эти насосы находят наиб. применение в произ-вах химической и смежных с ней отраслей пром-сти и предназначены для перекачивания холодной и горячей воды, нефти, сжиженных углеводородных газов, агрессивных жидкостей (к-ты, щелочи), сточных вод и др.

Рис. 1. Центробежный насос: 1-подвод; 2-рабочее колесо; 3-ротор; 4-отвод.
В осевых насосы (рис. 2) в отличие от центробежных жидкость движется вдоль оси рабочего колеса. Осн. достоинства: большая, чем у центробежных насосов, производительность, нечувствительность к загрязнениям жидкости; недостаток-малый напор. Они служат обычно для перемещения воды, загрязненных и кристаллизующихся жидких сред. Эти насосы используют гл. обр. для создания циркуляционных потоков В разл. аппаратах, напр. выпар- ных с принудит. циркуляцией.
Рис.2. Осевой насос: 1-рабочее колесо; 2-камера; 3-направляющий аппарат; 4-отвод.
В вихревых насосах (рис. 3), близких по конструкции центробежным, но отличающихся от них рабочим процессом, создаваемый напор частично обеспечивается центробежными силами. Однако большая его часть определяется энергией вихрей, возникающих между лопастями вращающегося рабочего колеса; вихри увлекают находящуюся в кольцевых каналах корпуса насоса жидкость и перемещают ее по периферии колеса в тангенциальном направлении от полости всасывания к полости нагнетания. Эти насосы, предназначенные для перекачивания чистых, маловязких, легковоспламеняющихся жидкостей (напр., спирты, бензины), а также к-т, щелочей и др., позволяют достигать значительно более высоких напоров, чем центробежные машины, однако их кпд существенно ниже, и они непригодны для перемещения вязких сред и жидкостей, содержащих твердые взвеси.
К насосам трения, помимо вихревых, относятся также струйные. В них для перемещения жидкостей и создания напора используют кинетич. энергию др. жидкостей, наз. рабочими. В качестве последних обычно применяют воду (водоструйные насосы) или пар (пароструйные насосы). Напр., в водоструйном насосе происходят: преобразование в копии, сходящейся насадке потенциальной энергии воды в кинетическую; обмен в камере смещения кол-вом движения между водой и подаваемой средой, переход в диффузоре кинетич. энергии смеси жидкостных потоков в потенциальную. Благодаря этому в камере смещения создается разрежение, что обеспечивает всасывание подаваемой среды. Затем в результате снижения скорости движения смеси давление ее резко возрастает, что делает возможным нагнетание. Поэтому струйные насосы можно применять как для отсасывания (эжекторы), так и для нагнетания (инжекторы) жидкостей. Эти насосы просты по устройству, отличаются отсутствием подвижных частей, надежны и долговечны, но имеют довольно низкий кпд. Их целесообразно использовать при кратковременной работе для перемещения небольших объемов жидкости, а также для их охлаждения и нагревания в произ-вах, где возможно смешение перекачиваемой жидкости с рабочей средой и недопустимо наличие движущихся и трущихся деталей.

Рис. 3. Вихревой насос: 1-рабочее колесо; 2-корпус; 3-полость; 4, 5-напорный и всасывающий патрубки.
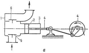
Объемные насосы. В них разность давлений возникает при вытеснении жидкости из периодически изменяющей объем рабочей камеры насоса, к-рая попеременно сообщается с его входом и выходом. При этом жидкость приобретает гл. обр. потенциальную энергию, пропорциональную давлению нагнетания. Жидкость вытесняется из рабочей камеры поршнем (поршневые и дифференциальные насосы с двумя рабочими камерами), плунжером (плунжерные и диафрагмовые, в к-рых цилиндр и плунжер отделены от перемещаемой жидкости спец. перегородкой) либо ротором (роторные насосы).
В п о р ш н е в ы х насосах для периодич. сообщения рабочей камеры с областями всасывания и нагнетания (рис. 4,а,б) предусмотрены клапаны. Различают насосы приводные (от электродвигателя) и прямодействующие (от паровой машины). По сравнению с центробежными поршневые насосы сложнее по конструкции, имеют при одинаковой мощности большие габариты, массу и стоимость. Однако они отличаются сравнительно высоким кпд и независимостью подачи от напора, что позволяет использовать их в качестве т.наз. дозировочных насосов для точного регулирования подачи жидкостей (напр., в жидкостной хроматографии). Поршневые насосы применяют при сравнительно небольших подачах и высоких давлениях для перемещения высоковязких, а также огне- и взрывоопасных (паровые насосы) жидкостей.
Р о т о р н ы е насосы (пластинчатые, шестеренчатые, винтовые и др.; рис. 5,а,б,в)не требуют всасывающих и нагнетат. клапанов, реверсивны, но их напоры и подачи ограничены. В зависимости от конструкции эти насосы используют для перекачивания разнообразных чистых и загрязненных жидких сред-от мало- до высоковязких. Однако во избежание быстрого изнашивания, как правило, больших пов-стей трения роторные насосы целесообразно применять для перемещения жидкостей, по возможности не содержащих абразивных примесей и обладающих хорошей смазывающей способностью (напр., минер. масла).


Рис. 4. Поршневые насосы: a-собственно поршневой; б-плунжерный; 1 -рабочая камера; 2-поршень; 3-цилиндр; 4-шатунно-кривошипный механизм; 5, 6 - всасывающий и нагнетательный клапаны; 7-плунжер.


Рис. 5. Роторные насосы: а-пластинчатый; б-шестеренчатый; в-винтовой; 1 - ротор; 2 - корпус; 3 -пластина; 4-рабочее пространство; 5-шестерня; 6-винт.
Вакуум-насосы
Вакуум-насосы (ВН) служат для удаления газов или паров из замкнутого объема (системы) с целью получения в нем вакуума. Осн. параметры ВН-предельное остаточное давление рост(Па) и быстрота откачки S (объем газа, откачиваемого в единицу времени, на практике от 0,1 до 105 л/с). Остаточные давления, используемые в хим. технике, обычно составляют: рост > 100 Па (низкий вакуум) и 0,1 Па < < рост < 100 Па (средний вакуум), в науч. исследованиях 10-5Па <рост< 0,1 Па (высокий вакуум) и рост < 10-5 Па (сверхвысокий вакуум). Для создания низкого и среднего вакуума применяют т.наз. форвакуумные насосы, высокого и сверхвысокого - высоковакуумные насосы; иногда между ними устанавливают промежуточные (бустерные) ВН.
Различают ВН проточные, с помощью к-рых газ удаляется из замкнутого объема наружу, сорбционные, а также для откачивания водорода.
Проточные ВН по принципу действия подразделяют на механические, струйные, молекулярные и ионные. Форвакуумные м е х а н и ч е с к и е ВН бывают поршневые (подобны поршневым компрессорам) и вращательные. К последним относятся: водокольцевые (рис. 6; функционируют аналогично компрессорам с жидкостным кольцом); многопластинчатые (подобны роторным пластинчатым компрессорам); масляные (насосы Геде - пластинчатые и плунжерные; сходны с роторными компрессорами, внутр. объем заполнен маслом, к-рое служит смазкой и изолирует рабочую камеру от атм. воздуха); двухроторные (насосы Рутса-действие основано на встречном вращении двух роторов).
В с т р у й н ы х ВН газ всасывается струей жидкости или пара. Различают вихревые, эжекторные и пароструйные ВН. Описанные выше вихревые насосы можно использовать также для достижения высокого вакуума; разрежение развивается вдоль оси вихревого потока, создаваемого сжатым воздухом или перегретым паром. В эжекторных ВН, к-рыми могут служить струйные компрессоры и струйные жидкостные насосы, газ увлекается турбулентной струей жидкости (воды), пара (воды или ртути) или газа (воздуха). Действие пароструйных ВН, или насосов Ленгмюра, создающих высокий и сверхвысокий вакуум, основано на захвате откачиваемого газа струей пара за счет вязкостного трения между ее поверхностными слоями и прилегающими слоями газа (бустерные ВН) или на диффузии его молекул в струю пара жидкости, истекающей из сопла (диффузионные ВН).

Рис. 6. Вращательный водокольцевой вакуум-насос: 1 - водяное кольцо; 2-рабочая камера.
В м о л е к у л я р н ы х, или т у р б о м о л е к у л я р н ы х, ВН молекулам удаляемого газа сообщается дополнит. скорость при соударениях их с быстровращающимся ротором (частота вращения до 90 тыс. об/мин). Эти ВН, напоминающие осевые турбокомпрессоры, создают вакуум от низкого до сверхвысокого. Действие и о н н ы х ВН основано на ионизации газа сильным электрич. разрядом и удалении ионизов. молекул электрич. полем.
В с о р б ц и о н н ы х ВН газ, как правило, остается внутри системы в связанном виде на поглощающих пов-стях или подповерхностных слоях (рост= 10-2 — 10-13 Па). Различают ВН адсорбционные (газ адсорбируется на пов-сти цеолита или др. адсорбента); испарительные (газ связывается распыляемым геттером в результате хим. взаимод. в газовой фазе и после его напыления на стенки корпуса и др. детали); нераспыляемые (нераспыляемый геттер связывает газ в осн. благодаря растворению или адсорбции); геттер-но-ионные (сорбционный способ поглощения химически активных газов сочетается с ионным способом их удаления); магниторазрядные (поглощающая газ пов-сть непрерывно возобновляется путем распыления геттера электрич. разрядом в магн. поле); криогенные (газ адсорбируется или конденсируется на рабочих пов-стях, охлажденных до сверхнизких т-р, т. е. ниже 0,5 К). Для получения высокого и сверхвысокого вакуума часто необходимо включать последовательно два ВН, из к-рых один служит для создания предварит. разрежения.
Лит.: Бакланов Н. А., Насосы в химической промышленности, 2 изд., Л., 1977; Молоканов Ю. К., Процессы и аппараты нефтегазопереработки, М., 1980, с. 70-105; Гельперин Н. И., Основные процессы и аппараты химической технологии, кн. 1, М., 1981, с. 102-33, 169-76; Физический энциклопедический словарь, М., 1983, с. 64-66; Рахмилевич 3.3., Радзин И.М., Фара-мазовС.А., Справочник механика химических и нефтехимических производств, М., 1985, с. 11, 26-30, 189, 330 40; Рахмилевич 3.3., Насосы в химической промышленности, М., 1990. З. З. Рахмилевич.