Поляриметр
Поляриметр, 1) прибор для измерения угла вращения плоскости поляризации монохроматического света в оптически-активных веществах (дисперсию оптической активности измеряют спектрополяриметрами). В поляриметрах, построенных по схеме полутеневых приборов (рис. 1, 2), измерение сводится к визуальному уравниванию яркостей двух половин поля зрения прибора и последующему считыванию показаний по шкале вращений, снабженной нониусом. Эту методику, несмотря на её принципиальную простоту, отличает достаточно высокая для многих целей точность измерений, что обусловило широкое применение полутеневых поляриметров. Однако более распространены автоматические поляриметры с фотоэлектрической регистрацией, в которых та же задача сопоставления двух интенсивностей решается поляризационной модуляцией светового потока (см. Модуляция света) и выделением на выходе приёмника света сигнала основной частоты (рис. 3). Современные автоматические поляриметры позволяют измерять углы оптического вращения с точностью ~ 0,0002°.
2) Прибор для определения степени поляризации р частично поляризованного света (см. Поляризация света). Простейший такой поляриметр — полутеневой поляриметр Корню, предназначенный для измерения степени линейной поляризации. Основными элементами этого поляриметра служат призма Волластона (см. Поляризационные призмы) и анализатор. Поворотом анализатора (шкала поворота проградуирована на значения р) уравнивают яркости полей, освещаемых пучками, которые при выходе из призмы имеют неодинаковую интенсивность. Фотоэлектрический поляриметр в наиболее простом случае измерения степени линейной поляризации состоит из вращающегося вокруг оптической оси поляриметра анализатора и фотоприёмника. Отношение амплитуд переменной составляющей тока приёмника к постоянной непосредственно даёт р. Поставив перед поляриметром фазовую пластинку четверть длины волны (см. Компенсатор оптический, Поляризационные приборы), можно использовать его для измерения степени круговой (циркулярной) поляризации.
Поляриметры широко и эффективно применяются в первую очередь в поляриметрии для изучения структуры и свойств веществ, а также для других научных исследований и решения технических задач. В частности, измерения степени циркулярной поляризации излучения космических объектов позволяют обнаруживать сильные магнитные поля во Вселенной.
Лит.: Шишловский А. А., Прикладная физическая оптика, М., 1961; см. также лит. к ст. Поляризация света, Поляриметрия.
В. С. Запасский.

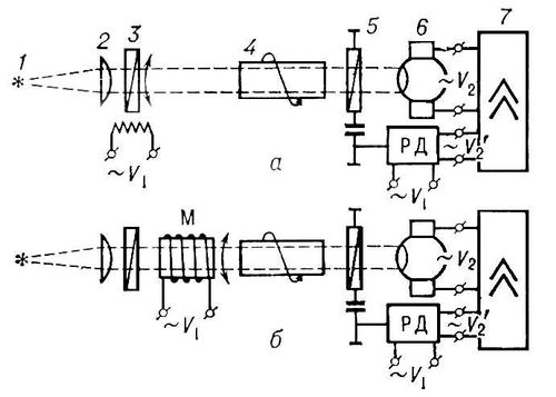
Рис. 3. Схемы автоматических поляриметров с фотоэлектрической регистрацией, основанные на модуляции света по плоскости поляризации (схема б отличается от а лишь наличием магнитооптического модулятора М, поэтому её элементы не снабжены цифровыми обозначениями). 1 — источник света; 2 — конденсор; 3 — поляризатор-модулятор света по плоскости поляризации; 4 — ячейка (кювета) с измеряемым оптически-активным веществом; 5 — анализатор; 6 — фотоприёмник; 7 — усилитель; РД — реверсивный электродвигатель. Промодулированный по интенсивности (после прохождения через анализатор) свет преобразуется фотоприёмником в переменное напряжение V2, усиливаемое до V'2 которое подаётся на одну из двух обмоток двухфазного РД, кинематически связанного с анализатором и отсчётным устройством. На другую обмотку подаётся синусоидальное (модулирующее) напряжение V1; его частота равна частоте первой гармоники модулируемого света. РД автоматически поворачивает анализатор на угол, равный измеряемому вращению. Результат измерений не зависит от изменений интенсивности света, амплитуды угловых колебаний плоскости его поляризации и коэффициента усиления в 7, что позволяет проводить измерения для сред с большим поглощением и не требует стабилизации усиления.

Рис. 2. Полутеневые поляризаторы. Плоскости поляризации двух их половин P1 и P2 составляют между собой малый угол 2a. Поэтому, если плоскость поляризации анализатора АА перпендикулярна биссектрисе 2a (а), обе половины I и II поля зрения имеют одинаковую освещённость, т. е. не полностью погашены (полутень, откуда название). При малейшем повороте анализатора относительная освещённость I и II резко меняется (б и в). Примеры конструкций полутеневых поляризаторов: г — схема Липпиха; P1 и P2 — две поляризационные призмы, одна из которых закрывает половину поля зрения, А — анализатор; д — схема Лорана; за поляризационной призмой Р устанавливают фазовую пластинку М в 1/2 длины волны, главная плоскость которой составляет угол a с плоскостью поляризации Р; D — диафрагма, ограничивающая поле зрения.

Рис. 1. Принципиальная схема полутеневого поляриметра: 1 — источник света; 2 — конденсор; 3—4 — полутеневой поляризатор; 5 — трубка с измеряемым оптически-активным веществом; 6 — анализатор с отсчётным устройством; 7 — зрительная труба; 8 — окуляр отсчётного устройства (например, микроскопа-микрометра).