Проточно-инжекционный анализ

ПРОТОЧНО-ИНЖЕКЦИОННЫЙ АНАЛИЗ (ПИА), авто-матизир. метод анализа и исследования в потоке. При этом точный микрообъем (пробу) изучаемой жидкости вводят в непрерывно движущийся по направлению к детектору поток инертного носителя (или р-ра реагента). В потоке образуется зона образца. По мере продвижения к детектору исследуемая жидкость смешивается с носителем (или реагентом), т.е. происходит дисперсия (размывание) пробы (рис. 1). Анализ сводится к непрерывному измерению в детекторе к.-л. физ. величины (напр., оптич. плотности), зависящей от концентрации определяемого в-ва в потоке р-ра. Регистрируемый аналит. сигнал имеет форму пика (рис. 2), высота Н (ширина, площадь) к-рого зависит от концентрации определяемого в-ва в пробе. Неизвестное кол-во в-ва рассчитывают по градуировочным характеристикам (см. Метрология химического анализа), получаемым с помощью образцов сравнения, к-рые анализируют так же, как и исследуемые образцы.


4026-14.jpg

Рис. 1. Схема дисперсий зоны образца в момент введения его в поток (точка 0) и при проведении ПИА.

4026-15.jpg

Рис. 2. Аналит. сигнал детектора при однократном введении пробы в момент времени 0 (t-время пребывания пробы в потоке'носителя или р-ра реагента).

Для осуществления серии анализов методом ПИА время t пребывания всех проб в потоке носителя или реагента должно быть постоянным (в интервале 6-100 с). Осн. особенность ПИА заключается в том, что для проведения анализа не надо добиваться гомог. перемешивания исследуемого р-ра, а необходимо строго контролировать дисперсию пробы. Мерой дисперсии пробы считают коэф. дисперсии D, к-рый численно равен отношению истинной концентрации Сист в-ва в пробе к его концентрации Смакс, соответствующей максимуму аналит. сигнала Hмакс. При этом D = Систмакс = kH0/Hмакс, где H0-аналит. сигнал, соответствующий Сист, k-коэф. пропорциональности. Величина D- сложная ф-ция размеров трубок, по к-рым перемещается жидкость, скорости потока, объема пробы и др. В зависимости от значения D различают ПИА с ограниченной (14026-16.jpgD4026-17.jpg3), средней (3 < D4026-18.jpg10) и большой дисперсией (D > 10).

Теория ПИА развита слабо и сводится гл. обр. к мат. описанию закономерностей изменения аналит. сигнала детектора в зависимости от эмпирич. параметров проточ-но-инжекц. системы (приборов и устройств для ПИА) с точки зрения законов конвекционно-диффузного распределения в-ва в капиллярном ламинарном потоке.

Проточно-инжекц. система состоит из насосов для создания непрерывного потока носителя или р-ра реагентов с постоянной скоростью (0,2-6,0 мл/мин); дозатора, обеспечивающего введение точного объема пробы (объем 10-500 мкл) в поток; автоматич. пробоотборника; потоко-распределит. устройства-совокупности линий микротрубопровода и смесительных (реакционных) спиралей (внутр. диаметр 0,5-0,7 мм, длина 10-500 см); детектора с проточной ячейкой (объем 8-40 мкл); блока управления работой системы, обработки и выдачи результатов анализа, к-рый включает микропроцессоры или ЭВМ. Схема простейшей проточно-инжекц. системы приведена на рис. 3. В ряде случаев в эти системы вводят вспомогат. устройства для подготовки жидкой пробы к анализу, т. е. для ее разбавления, концентрирования, отделения определяемых компонентов от матричного р-ра, осуществления разл. хим. превращений. Для этих целей используют диализ, экстракцию, ионный обмен, изотермич. дистилляцию и др.

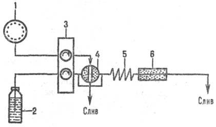
4026-19.jpg

Рис. 3. Схема установки для ПИА: 1-пробоотборник; 2-резервуар с жидким носителем (реагентом); 3-перистальтич. насос; 4-инжектор; 5- смесительная (реакционная) спираль; 6-детектор.

Для определения в-в в детекторе ПИА применяют чаще всего методы спектрофотометрии, атомно-абсорбционного, хемилюминесцентного и люминесцентного анализа, элект-рохим. методы, в т.ч. амперометрию и потенциометрию с ионоселективными электродами.

Осн. достоинства ПИА: высокая производительность (до 360 определений в час), хорошая воспроизводимость, экономия трудовых затрат и реагентов; возможность использования неустойчивых соед., а также токсичных в-в, т.к. анализ проводят в закрытой системе; легкость замены одного детектора другим.

ПИА применяют при управлении технол. процессами, для проведения автоматизир. серийных определений неорг. и орг. в-в. Объектами анализа м. б. пищ. продукты, лек. препараты, прир. и технол. воды, почвы, растения и т.д.

Идею создания системы непрерывного анализа с инжек-цией пробы в поток высказали Г. Надь, Э. Пунгор и Д. Фе-хер в 1970. В 1974 К. Стюард с сотрудниками и независимо Я. Ружичка и Э. Хансен разработали осн. положения ПИА.

Лит.: Шпигун Л. К., Золотое Ю. А., Проточно-инжекционный анализ, М., 1990; Ruzjcka J., Hansen Е. Н., Flow injection analysis, 2 ed., N. Y.-[a. о.], 1988. Л К. Шпигун.