Обезвоживание и обессоливание нефти

ОБЕЗВОЖИВАНИЕ И ОБЕССОЛИВАНИЕ НЕФТИ, подготовка нефти к переработке путем удаления из нее воды, минер. солей и мех. примесей. При добыче нефти неизбежный ее спутник-пластовая вода (от < 1 до 80-90% по массе), к-рая, диспергируясь в нефти, образует с ней эмульсии типа "вода в нефти" (дисперсионная фаза-нефть, дисперсная - вода). Их формированию и стабилизации способствуют присутствующие в нефти прир. эмульгаторы (асфальтены, нафтены, смолы) и диспергир. мех. примеси (частицы глины, песка, известняка, металлов). Пластовая вода, как правило, в значит. степени минерализована хлоридами Na, Mg и Са (до 2500 мг/л солей даже при наличии в нефти всего 1% воды), а также сульфатами и гидрокарбонатами и содержит мех. примеси.

Наличие в нефти указанных в-в и мех. примесей оказывает вредное влияние на работу оборудования нефтеперерабатывающих заводов (НПЗ): 1) при большом содержании воды повышается давление в аппаратуре установок перегонки нефти, снижается их производительность, возрастает расход энергии; 2) отложение солей в трубах печей и теплообменников требует их частой очистки, уменьшает коэф. теплопередачи, вызывает сильную коррозию (хлориды Са и Mg гидролизуются с образованием НСl); кроме того, соли и мех. примеси, накапливаясь в остаточных нефтепродуктахмазуте и гудроне, ухудшают их качество.

О б е з в о ж и в а н и е нефти проводят путем разрушения (расслоения) водно-нефтяной эмульсии с применением деэмуль-гаторов-разл. ПАВ, к-рые, адсорбируясь на границе раздела фаз, способствуют разрушению капель (глобул) диспергированной в нефти воды. Однако даже при глубоком обезвоживании нефти до содержания пластовой воды 0,1-0,3% (что технологически затруднительно) из-за ее высокой минерализации остаточное содержание хлоридов довольно велико: 100-300 мг/л (в пересчете на NaCl), а при наличии в нефти кристаллич. солей-еще выше. Поэтому одного только обезвоживания для подготовки к переработке нефтей большинства месторождений недостаточно. Оставшиеся в нефти соли и воду удаляют с помощью принципиально мало отличающейся от обезвоживания операции, наз. о б е с с о л и-в а н и е м. Последнее заключается в смешении нефти со свежей пресной водой, разрушении образовавшейся эмульсии и послед. отделении от нефти промывной воды с перешедшими в нее солями и мех. примесями.

Первичную подготовку нефти осуществляют на нефтепромыслах обычно термохим. обезвоживанием в присут. деэмульгатора при 50-80° С и атм. давлении или при 120-160 °С и давлении до 1,5 МПа. После такой обработки нефть содержит, как правило, до 1800 мг/л хлоридов, до 0,5-1,0 и 0,05% по массе соотв. воды и мех. примесей.

В соответствии с требованиями нефтеперерабатывающей пром-сти нефть, направляемая на первичную перегонку, должна содержать не более 3 мг/л солей, 0,2 и 0,005% по массе воды и мех. примесей (в связи с тенденцией углубления переработки нефти эти показатели м. б. ужесточены). Дополнит. очистку на НПЗ нефти, поступающей с нефтепромыслов, проводят электротермохим. методом, сочетающим термохим. отстаивание с электрич. обработкой водно-нефтяной эмульсии. Разрушение ее основано на том, что при попадании в перем. электрич. поле капли воды поляризуются и взаимод. между собой как крупные диполи. При достаточно близком расстоянии между каплями силы взаимод. настолько велики, что происходит сближение капель и их коалесценция. Кроме того, вероятность столкновения и слияния капель значительно возрастает из-за броуновского движения и синхронной вибрации их с электрич. полем. Установки для удаления из нефти примесей этим методом наз. электрообессоливающими (ЭЛОУ) и, наряду с НПЗ, сооружаются иногда на нефтепромыслах; в последнем случае нефть кроме обезвоживания подвергается также обессоливанию.

ХАРАКТЕРИСТИКИ СЫРЬЯ И РАБОТЫ ЭЛЕКТРООБЕССОЛИВАЮЩИХ УСТАНОВОК

3060-17.jpg


На НПЗ нефть очищают в неск. ступенях ЭЛОУ (обычно в двух, реже в одной или трех). Гл. элемент технол. схемы -электродегидратор, в к-ром водно-нефтяная эмульсия разрушается в электрич. поле напряженностью 1-3 кВ/см, создаваемом между двумя горизонтальными электродами, к-рые подвешены на изоляторах на середине высоты аппарата. Эмульсия вводится в меж- или подэлектродную зону либо одновременно в обе (в этом случае используют третий электрод). На ЭЛОУ эксплуатируются электродегидраторы трех типов: вертикальные (объем 30 м3) на отдельных малотоннажных установках мощностью 0,6-1,2 млн. т/год обессоленной нефти; шаровые (600 м3) на установках мощностью 2-3 млн. т/год, совмещенных, как правило, с атм. либо атм.-вакуумными установками (AT или АВТ; см. Дистилляция нефти); горизонтальные в крупнотоннажных блоках (6-9 млн. т/год), встроенных в AT и АВТ.

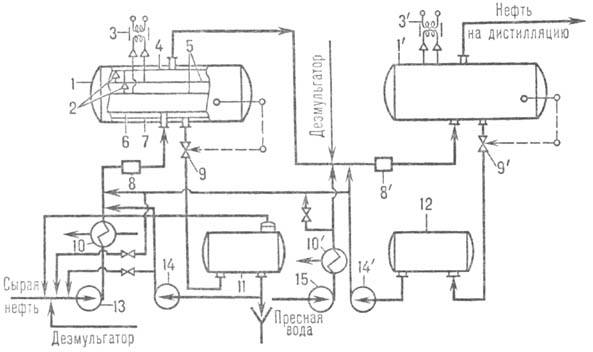
Очистка нефти в двухступенчатых ЭЛОУ осуществляется след. образом (см. рис.). На 1-й ступени сырая нефть подается насосом 13 через теплообменник 10, где она нагревается, в смеситель 8, в к-ром смешивается с промывной водой и деэмульгатором; в электродегидраторе 1 образовавшаяся водно-нефтяная эмульсия разделяется на две фазы. Обезвоженная и частично обессоленная нефть поступает во 2-ю ступень; сначала в смеситель 8', а затем в виде эмульсии с водой-на окончат. очистку в электродегидратор Г; обезвоженная и обессоленная нефть направляется на дистилляц. установку. Пресная промывная вода насосом 15 подается в теплообменник 10', подогревается до 60-70 °С и смешивается с нефтью перед смесителем 8'. Отстоявшаяся в электродегидраторе 1' дренажная вода с помощью клапана 9' поступает в емкость 12, откуда насосом 14' направляется для смешения с нефтью перед 1-й и частично перед 2-й ступенями. Дренажная вода, отстоявшаяся в электродегидраторе 1, через клапан 9 подается в отстойник И, из к-рого после отстаивания и отделения от эмульгир. нефти частично отводится в канализацию, а частично используется для промывки нефти в 1-й ступени. Нефть, отстоявшаяся в емкости 11, смешивается с сырой нефтью на приеме сырьевого насоса 13. В схеме предусмотрены две возможные точки ввода промывной воды в нефть перед 1-й ступенью: на приеме насоса 13 и после насоса 10 перед смесителем 8.

3060-18.jpg

Принципиальная схема электрообессоливающей установки (позиции со штрихом - оборудование 2-й ступени): 1, 1'-электродегидраторы; 2-подвесные изоляторы; 3, 3'-высоковольтные трансформаторы; 4, 7-коллекторы обессоленной нефти и дренажной воды; 5-электроды; 6 - распредели гель ввода сырья; 8, 8'- смесители; 9, 9'-клапаны автоматич. отвода дренажной воды; 10, 10'-теплообменники; 11, 12-отстойник и промежут. емкость дренажной воды; 13, 15-насосы сырья и пресной воды; 14, 14'- насосы дренажной воды.


Осн. параметры процесса приведены в таблице. Применяемые на ЭЛОУ деэмульгаторы (преим. неионогенные, напр. блоксополимеры пропилен- и этиленоксидов с про-пиленгликолем) подают в нефть в виде 1-2%-ных водных р-ров перед 1-й ступенью или раздельно по ступеням либо без разбавления (нефтерастворимые) только перед 1-й ступенью. При обессоливании ряда нефтей (напр., прикам-ских или арланских) наряду с деэмульгатором используют щелочь в кол-ве, необходимом до доведения рН дренажной воды до 7. Глубокое обессоливание нефти обеспечивается добавлением в каждой ступени 4-10% по объему промывной воды. На мн. ЭЛОУ сокращение расхода пресной воды достигают ее подачей только на последнюю ступень и повторным использованием отстоявшейся воды: со ступени на ступень и внутри их. Полнота вымывания солей из нефти в значит. мере зависит от степени ее смешения с промывной водой и деэмульгатором. Применительно к технол. режиму обессоливания каждой нефти существуют оптим. условия смешения, регулируемого перепадом давления (от 0,05 до 0,2 МПа) на смесит. устройстве.

Затраты на обессоливание относительно невелики и составляют в зависимости от вида сырья, глубины его очистки и используемой технологии 0,15-0,6 руб./т, расход электроэнергии 0,2-0,8 кВт•ч/т нефти.

Лит.: Банков Н. М., Позднышев Г. Н., Мансуров Р. И., Сбор и промысловая подготовка нефти, газа и воды, М., 1981; Левченко Д. Н., Берг-штейн Н. В., Николаева Н. М., Технология обессоливания нефтей на нефтеперерабатывающих предприятиях, М., 1985; Эрих В. Н., Расина М. Г., Рудин М.Г., Химия и технология нефти и газа, 3 изд., Л., 1985, с. 96-111.

Ф. М. Хуторянский.